Line Mercedes, A 129 320 88 72
Mercedes 用の正規 OEM パーツ、迅速な世界中への配送。
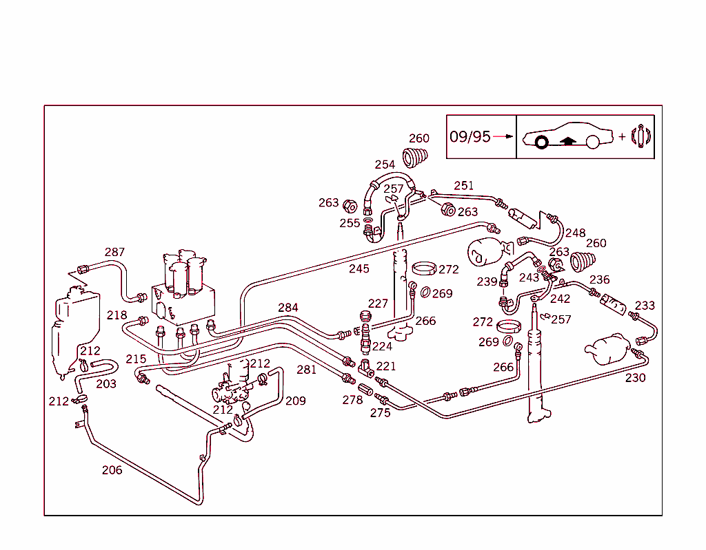
Line Arrangement In Case Of Self-Levelling Device & A S D
Mercedes 129 129
300 SL
500 SL / AMG 500 SL / SL 500
SL 600 / SL 600 AMG / 600 SL • R129 Roadster
互換性を確認の機能を使用して、特定の車両に適合するかどうかを確認してください。

申し訳ございません、この商品は在庫切れです
この部品が再度利用可能になった際にお知らせできます
あなたの車両との互換性を確認
Mercedes純正交換用
Search by VIN or Frame Number
Enter your VIN if your car was made for export, or enter your Frame Number (e.g. ACU35-0008791) if it was made for the Japanese domestic market.
ビデオレビュー
お客様の声や私たちについての評価
私たちは、お客様のために最善の結果を提供するために一生懸命働きます。
私たちは、成功を達成するためには努力と献身が鍵であると信じており、お客様の満足を確実にするために最善を尽くします。
42
ブランド
1200万
純正部品
254ヶ国
世界中に配送
お手伝いできますか?
いつでもお気軽にお問い合わせください
安全な支払い
幅広い、信頼できる支払い方法
発送と配送
FedEx、DHL、UPSなどを活用して、世界中254ヶ国へ迅速に配送。
お問い合わせ先
- 77/77, Moo 5, Ratsada Subdistrict, Mueang Phuket District, 83000, Thailand
- +1 786 798-7117
- 月曜日から金曜日 — 午前9時から午後6時
- タイ、バンコク標準時, GMT+7